
Svelati al microscopio i segreti della pittura romana
Si legge in 4 minuti: il tempo di un cappuccino!

Un'indagine scientifica mette a confronto i dipinti delle ville romane di Isera, nel Trentino, e Ventotene, nel Lazio
La Fondazione Museo Civico di Rovereto nel dicembre del 2021 ha avviato, in collaborazione con il Museo delle Scienze di Trento (MUSE), un progetto di ricerca interdisciplinare di tipo archeometrico con lo scopo di analizzare in modo comparato intonaci dipinti di età romana provenienti da aree diverse della penisola italica per mettere in evidenza analogie e differenze nella tecnica esecutiva e nei materiali impiegati dagli artigiani e dai decoratori dell'antichità. I ricercatori coinvolti (Paolo Ferretti del MUSE, Barbara Maurina e Michela Canali della Fondazione MCR) nella prima fase della ricerca hanno sottoposto a indagine sei campioni della prima età imperiale provenienti da due siti archeologici fra loro distanti ma simili per tipologia: si tratta infatti di due ville romane, situate in Trentino (Isera) e in Lazio (Ventotene).
Per l'analisi dei reperti si fa ricorso alle moderne tecniche di archeometria
L'archeometria raggruppa una serie metodi di indagine scientifica applicati all'archeologia, miranti ad acquisire informazioni specifiche sulla natura e composizione dei reperti e sul loro contesto. Le tecniche, che vanno dalla chimica alla geologia alla dendrocronologia, permettono di indagare i materiali più disparati, come ceramica, vetro, metalli, minerali e reperti organici. Negli ultimi anni, con lo sviluppo di nuove tecnologie e strumentazioni, l'archeometria ha dato luogo a vere e proprie specializzazioni che stanno trovando ampio spazio non solo per lo studio e l'interpretazione dei beni culturali e del loro contesto ambientale e storico, ma anche per migliorarne la conservazione e per orientarne il restauro.
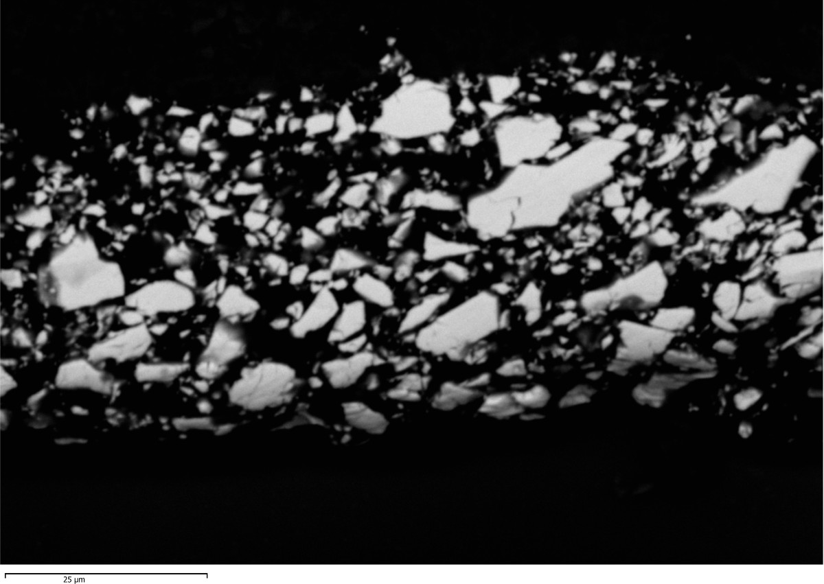
I campioni di intonaco sono lavorati in sezioni sottili e osservati al microscopio
L'analisi nello specifico è consistita nell'osservazione dei campioni in sezione sottile, cioè lavorati e ridotti fino a ottenere sezioni spesse 0,03 millimetri, montate su vetrini. In prima battuta si è utilizzato il microscopio ottico polarizzatore a luce trasmessa, che ha permesso una visione d'insieme della struttura, della tessitura e della composizione dei preparati. Per un'analisi più puntuale e approfondita delle componenti mineralogiche degli intonaci e della natura dei pigmenti si è poi proceduto a un esame tramite microscopio ottico a scansione (SEM).

Foto in luce trasmessa di due sezioni sottili di campioni di intonaco di Isera (sopra) e di Ventotene (sotto)
Il microscopio rivela analogie e differenze tra le pitture di Isera e quelle di Ventotene: la stessa tecnica e l'uso di materiale locale
I dati raccolti hanno rivelato l'impiego di tecniche molto simili nella realizzazione degli intonaci parietali di Isera e Ventotene: in tutti i casi la preparazione è costituita da uno o più strati a base di calce e sabbie miste e da uno o due strati superficiali bianchi, composti da calce e materiale carbonatico. Le differenze riguardano i materiali impiegati e sono dovute all'approvvigionamento in contesti geologici diversi. In particolare, gli strati sabbiosi negli intonaci di Isera contengono frammenti di rocce carbonatiche e "cristalline" (metamorfiti, granitoidi, vulcaniti), riconducibili ai depositi di origine glaciale/fluvioglaciale del ghiacciaio atesino. A Ventotene, invece, i frammenti di bioclasti marini e prodotti vulcanici suggeriscono l'uso di sabbie marine locali. Gli strati superficiali a Isera contengono dolomia microcristallina, un litotipo che affiora lungo i rilievi della valle dell'Adige in prossimità di Isera, mentre a Ventotene si è impiegata calcite di sfaldatura, proveniente da qualche località dell'Italia peninsulare.

Sezione al microscopio polarizzatore, ingrandimento 3.2x: la forma angolosa/subangolosa connota i granuli di dolomia microcristallina, immersi in una matrice fine di carbonato di calcio.
Colori costosi per committenti di livello sociale elevato
In tre casi i campioni conservavano la pellicola pittorica, che ha consentito l'analisi di tre colori: il nero, il rosso e il ceruleo. In particolare, il primo è risultato costituito da nerofumo, ovverosia materiale vegetale carbonizzato, il rosso è invece composto da solfuro di mercurio, e cioè cinabro, mentre il ceruleo è formato da tetrasilicato di rame e calcio mescolati a quarzo e silice amorfa, i costituenti del blu egizio. Come apprendiamo dagli autori latini Vitruvio e Plinio il Vecchio, il rosso cinabro e il blu egizio erano colori molto costosi e particolarmente apprezzati nel mondo romano: la loro presenza a Isera e a Ventotene indica un livello sociale elevato e una notevole disponibilità economica dei personaggi che commissionarono la decorazione pittorica degli spazi abitativi.


Immagine EDS della pellicola pittorica di un campione di Isera: in back scattered appaiono di tonalità bianca i frammenti di solfuro di mercurio (cinabro: HgS). In basso, Spettro EDX su un frammento di cinabro.
I risultati preliminari delle osservazioni sono stati presentati in due distinti convegni internazionali: il V Colloquio dell'Associazione Italiana Ricerche sulla Pittura Antica (Bologna, 13-15 giugno 2022) e il Convegno Tematico AIAr dal titolo La Sostenibilità nei Beni Culturali (Padova, 29 giugno - 1 luglio 2022).
---
a cura di Barbara Maurina, Sezione Archeologia Fondazione MCR




